关键词:RDC解码芯片;Smartcoder_AU6805;应用电路_案例分析。
引言
多摩川精机的“绕线技术和结构工艺”在全球多个国家拥有自主产权和专利保护,依此设计和制造的多款、多系列角度传感部件--旋转变压器,因其高稳定性、高一致性和高性价比,而备受业内好评和青睐,在全球市场份额中,占有较大的比例。而作为旋转变压器的配套产品--RDC专用IC(单片式),多摩川精机于2001年推出首款全数字化、全定制式的Smartcoder_AU6802N1,之后又相继推出AU6803/AU6804(2006年)、AU6805(2013年)等升级产品。
一、AU6802N1/AU6803/AU6805之性能比较
--Same as AU6802N1
--Same as AU6803
二、AU6805的产品特点
多摩川精机2012年正式立项、研发AU6803的升级换代产品(即AU6805),主要是基于AU6803产品不支持外部励磁电源,且内部励磁电流又不够强大(9.5mA rms);同时在调研和规划的基础上,对AU6803产品的其它功能、引脚进行整合、取舍和优化,从而形成新一代的、更具实效和更具性价比的产品--AU6805,如下:
1、采用Tracking type(追踪方式)进行R/D转换,可以获取精密的、实时的角度检测数据;
2、小尺寸塑封方式(LQFP-48):7x7mm,仅为原AU6802N1的一半面积;
3、错误代码及自检功能(BIST),可方便查询故障类型或部位;
4、励磁方式支持“外部或内部”选项,且内部励磁电流最大可达20mA rms;
5、带宽可以“固定或自调整”选项,并设有7个固定频率点;
6、支持“外部或内部”时钟方式,外部时钟≥10MHZ,内部25MHZ。
三、AU6805的功能设置或选项
1)针对RDC的不同使用要求或场合,AU6805定义了多个设置/选项脚,如下:

2)基于以上不同设定或选择,AU6805的主要功能,如下简述:
|
序号 |
功 能 |
简 述 |
|
1 |
R/D转换功能 |
追踪模式,12_bit分解能 |
|
2 |
内部励磁发生器(R1/R2) |
电压或电流模式(10mA/20mA可选) |
|
3 |
错误侦测功能 |
如断线、超差(剩余电压)等 |
|
4 |
内置式自检功能(BIST) |
缺省、设定、状态等自检 |
|
5 |
串行输入设定功能 |
可以通过内部寄存器写入,设定不同的芯片功能 |
|
6 |
缺省值设定功能 |
硬件设置,P39/P41/P44,如上表所述 |
|
7 |
并行数据输出功能 |
12位绝对值或脉冲方式(含错误代码指示) |
|
8 |
编码器脉冲输出模式 |
ABZUVW,1024C/T |
|
9 |
串行输出功能 |
同步于外部串行时钟 |
|
10 |
励磁源选项功能 |
R1/R2可选择外部或内部励磁方式 |
|
11 |
SENSOR选用功能 |
除旋变外,也可使用其它的DC传感器,如HALL |
|
12 |
输出数据错误侦测功能 |
1位偶检验(Even Parity) |
3)AU6805引脚排列及定义(LQFP-48封装)


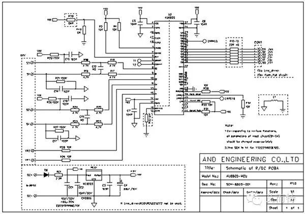
四、AU6805应用电路实例(编码器脉冲输出方式)

1、以上电路,BRX分别对应旋变的R1-R2,S3-S1,S4-S2;CON1(A1/B1/Z1/U1/V1/W1)连接到输出接口电路(长线驱动,或推拉互补,或O.C,或电压输出等)。
2、AU6805选用内部时钟,内部励磁(电流模式),并选用缺省设置方式(P39,P41,P44),输出为类似编码器的ABZUVW增量脉冲信号,分解能为1024C/T,极数为1X。
3、该电路外围器件较少,调试非常简单,只要对SIN/COS输入回路(S1-S4)的参数,进行对应调整(针对不同的旋转变压器),并监测T1/T2的信号波形和幅值大小,符合AU6805 DATA SHEET的标准要求即可。
4、注意AU6805芯片的供电电源、AGND/DGND,以及输出电路的频响和稳定性。
五、AU6805的货源供应
上海挥朝传动设备有限公司(AND ENGINEERINGCO.,LTD)是日本多摩川精机株式会社的中国大陆区总代理,全权受理多摩川产品线的市场销售和技术支持工作,包括:光电编码器、速度传感器、旋转变压器、RDC解码芯片及步进、伺服电机等;如有需求,请登陆网站:http://tamagawa-seiki.gongboshi.com/,或拨打电话:021-60525259/18621012587.

平台热线

